Yapılandırılabilir 10A Çıkış Dizili Besleme ICleri Çipi LTM4670EY Dörtlü µModül Regülatörü
LTM4670EY Ürün Açıklaması
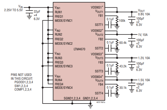
LTM4670EY, çıkış başına 10A ile dörtlü bir DC/DC kademeli µModule® (mikro modül) regülatörüdür.Çıkışlar, 40A'ya kadar kapasite için bir dizide paralel bağlanabilir.Pakete anahtarlama denetleyicisi, güç MOSFET'leri, indüktör ve tüm destek bileşenleri dahildir.2,25V ila 5,5V giriş voltajı aralığında çalışan her bir çıkış voltajı, yalnızca bir harici direnç tarafından ayarlanan 0,5V ila VIN aralığındadır.Yüksek verimli tasarımı, kanal başına 10A sürekli çıkış akımı sağlar.Sadece birkaç giriş ve çıkış kondansatörüne ihtiyaç vardır.
LTM4670EY, hem düşük EMI hem de yüksek verimlilik elde etmek için dahili sıcak döngü baypas kapasitörlerine sahip bir Silent Switcher®2 mimarisi kullanır.Varsayılan frekans dahili olarak 2MHz'e ayarlanmıştır, harici olarak 1MHz'den 2.6MHz'e kadar bir saate senkronize edilebilir.
LTM4670EY'nin Özellikleri
| Parça Numarası: | LTM4670EY |
| 2,25V | |
| 5,5 volt | |
| 70mA | |
| 2 Mhz | |
| - 40 C | |
| + 125 C | |
| LTM4670 |
LTM4670EY'nin Özellikleri
LTM4670EY Uygulamaları
LTM4670EY'nin Tipik Uygulamaları

SSS
S: Ürünleriniz orijinal mi?
C: Evet, tüm ürünler orijinaldir, amacımız yeni orijinal ithalattır.
S: Hangi Sertifikalara sahipsiniz?
A: Biz ISO 9001:2015 Sertifikalı Şirketiz ve ERAI üyesiyiz.
S: Küçük miktardaki siparişi veya numuneyi destekleyebilir misiniz? Numune ücretsiz mi?
C: Evet, numune siparişini ve küçük siparişi destekliyoruz. Siparişinize veya projenize göre numune maliyeti farklıdır.
S: Siparişimi nasıl gönderirim?Güvenli mi?
Y: DHL,Fedex,UPS,TNT,EMS gibi ekspres kargoları kullanıyoruz. Ayrıca önerilen nakliyecinizi de kullanabiliriz. Ürünler iyi bir ambalaj içinde olacak ve güvenliği sağlayacak ve siparişinizdeki ürün hasarından biz sorumluyuz.
S: Kurşun zamanı ne olacak?
C: Stok parçalarını 5 iş günü içinde gönderebiliriz. Stok yoksa, sipariş miktarınıza göre sizin için teslimat süresini teyit edeceğiz.
İlgili kişi: Mr. Sales Manager
Tel: 86-13410018555
Faks: 86-0755-83957753